- 预装配预接线,带颜色代码;
- 通过一体式透明外罩设计,远距离也可清晰观察机器状态;
- 采用LED芯片,寿命比白炽灯泡长很多;
- 多种安装方式可供选择,适用于多种应用场合;
- 内置85分贝蜂鸣器。

产品型号:XVGB3SW
概述:
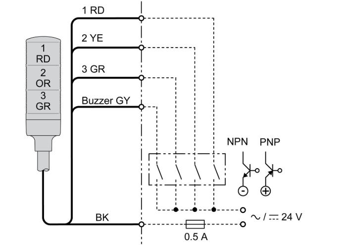
该产品属于Harmony XVG系列,Ø60 一体式信号灯柱 它是一个完整的预接线和预组装的整体式塔灯。 它配有红色、橙色和绿色常亮指示灯。 它提供可配置的颜色组合,底座内置蜂鸣器。 该塔灯的额定电压为 24V AC/DC。 这种塔灯的声呗数为 85 分贝。 它有一个铝管,重 0.25 千克。 它的防护等级为 IP42,并通过了 CE 和 EAC 认证。 它有底座安装和预装电缆,便于安装。 由于镜片清晰,它能提供更可靠、更清晰的视野。 该系列提供多种电压选择和灵活的安装方式,具有视觉和听觉功能。
尺寸图:


安装和间隙:
